Curiosité démarrage moteur après hivernage

J'ai un Perkins 4108 qui démarre au quart de tour. SI je laisse le bateau pendant un ou deux mois, quand je reviens le moteur démarre toujours tout de suite.

Par contre, pour le premier démarrage après hivernage (généralement 6 mois) il faut un ou deux cycles de 10-15 secondes de démarreur avant qu'il ne prenne ses tours.
Le deuxième démarrage à nouveau en une seconde et ainsi de suite tout va bien.

Tout aux mêmes temperatures extérieures, etc.

Rien de bien grave, mais quelle pourrait être la raison ?
Qu'est-ce qui se passe de différent dans un moteur laissé sans tourner pendant deux mois par rapport à une période de 6 mois ? :tesur:

L'équipage
04 avr. 2013
04 avr. 2013

Peut être une détérioration du gaz oïl en présence d'air meme en infime part, composé de carbone d'hydrogène et de soufre Il se peut que des gaz décomposés entrainent une chute de pression au niveau du circuit d'injection avant rétablissement ensuite après quelques tours

04 avr. 2013

merci

effectivement, ça pourrait être une modification chimique locale du carburant dans le circuit injection, peut-être le gasoil près des injecteurs perd petit à petit des composants plus volatiles qui facilitent le démarrage?
Enfin je n'en sait rien mais cela paraît plausible :-)

04 avr. 2013

De toutes façons si ce phénomène n'évolue pas dans le mauvais sens bien entendu il n'y a aucuns problèmes a rester dans cette situation sauf a obtenir une corrosion des pistons d'injecteurs par les gaz( soufre) a la longue mais en principe il y en a tres peu dans le gasoil ;-)

04 avr. 2013

Bonjour , désamorçage de la pome GO = prise d'air dans le circuit !

04 avr. 2013

je ne pense pas que ce soit du désamorçage, en hiver le réservoir est plein à ras-bord et tout le circuit carburant basse pression est en charge en permanence, s'il y avait un toute petite fissure/exfiltration j'aurais toute la cale pleine de carburant avant que l'air ne rentre dans les tuyaux

de plus, s'il y a un peu d'air qui arrive dans le circuit haute pression le moteur s'arrête net et il faut tout purger (pompe injection, régulateur, injecteurs..), ce n'est pas un moteur où il suffit de faire tourner tourner tourner pour qu'il se purge de l'air tout seul :-/

04 avr. 2013

Est ce qu'il y a du préchauffage ?? si non il faut la bonne vitesse au démarreur.....peut être est ce celui ci qui ne va pas assez vite après une longue période d'arrêt....
Quel age le démarreur quelle nombre d'heures, quelles intervention sur les balais....peut être une vérif en vue ?

04 avr. 2013

Le démarreur tourne toujours a la même vitesse sauf en cas de chute de tension batterie ou résistance anormale du moteur entrainé Si un balai ne porte plus a cause de l'usure il n'y a plus de rotation possible

04 avr. 201304 avr. 2013

Une résistance électrique de contact qui augmente avec l'usure des balais et voilà une belle chute de tension d'induit qui ne permet plus la pleine puissance.

04 avr. 2013

le démarreur est assez vivace, du moins à l'oreille je ne m'aperçois pas de différence notable

mais bon heureusement il n'y a pas de gros problème à résoudre, c'est juste par curiosité de la mécanique :-)

04 avr. 2013

Membrane de pompe de gavage qui commence à être poreuse
elle risque de lacher prochainemment, 'cela m'est arrivé)

04 avr. 2013

SI c'est grave!!
le démarrage dans ces conditions ne doit pas se faire.
Après trois mois sans tourner, Par gravité l'huile a quitté toutes les lumières de lubrification et les zones de frottements de l'embiellage et de la distribution.
La mécanique tourne alors à sec donc très mal avec systématiquement une détérioration des surfaces non lubrifiées.
Donc surtout ne pas démarrer dans ces conditions. Il faut procéder de la manière suivante:
maintenir appuyé la commande de décompression ( ou actionner la tirette) et en même temps actionner le démarreur sans tenir compte de la position préchauffage. L'opération doit durer au minimum 7 à 10 secondes car c'est le temps que la pompe à huile mettra pour monter la pression dans le circuit. Relâcher la décompression.
Maintenant procéder au démarrage normalement en n'oubliant pas le temps de préchauffage.

c'est de bon conseil mais comment faire sur un moteur sans décompresseur ?
Sur un moteur à essence on met un peu d'huile par la bougie pour l'hivernage mais sur un diesel, à part démonter les injecteurs,ce qui sur (sur yanmar et sans doute les autres aussi) oblige à changer des joints puis purger ... pas simple.
Enlever le filtre à air et pulvériser un lubrifiant ?

06 avr. 2013

Bonjour
Il suffit de tirer la tirette de stop, si ton moteur en est équipé.
Sinon , ne pas préchauffer et actionner le démarreur .
Puis retour à la normale, préchauffer et démarrrer.

19 mai 2013

Bonjour, je profite de votre connaissance du moteur qui me semble judicieuse pour vous solliciter sur une procédure d'hivernage pour 5 mois.
Si ce n'est pas trop abusé je serai ravi de partager votre expérience.

04 avr. 2013

sans décompresseur il faut dévisser un injecteur ou deux pour éviter la compression

04 avr. 201304 avr. 2013

Merci pour les commentaires -:)

Bon dans le meilleur des mondes on est bien d'accord, mais l'huile tombe complètement dans le carter même au bout d'une, deux semaines seulement je pense, non ?

Le nombre de personnes qui font ce premier faux-démarrage pour faire circuler l'huile avant du vrai démarrage d'un weekend sur l'autre, ou même d'un mois à l'autre ne doit pas être énorme je crois.. Car alors il faudrait aussi chauffer l'huile avant de démarrer pour qu'elle soit bien fluide, jeter le réservoir entier de gasoil chaque printemps car les additifs se sont détériorés, etc etc

Ces précautions sont/seraient absolument utiles, mais en pratique pour ce qui me concerne le fait de ne pas les prendre rentre dans disons un surcoût d'une révision générale quand ce sera le moment; mon moteur a presque 5000 heures et pour le moment je croise les doigts.

Je veux dire ce sont de précautions qui diminuent l'usure sur le moyen terme, on peut accepter cela à un degré plus ou moins grand; par contre par exemple passer de toute marche avant à toute marche arrière est une "précaution" qui pour l'inverseur peut être immédiatement catastrophique donc là bien sûr c'est toute une autre histoire

r

04 avr. 2013

J'ai eu le même problème
Mon VOLVO démarre tjrs au 1/4 de tours meme avec un à 2 mois d'arret.
Cette année : redémarrage impossible malgré la purge du circuit, ...
Incompréhensible!!!
Il a fallu un coup de pshit de start pilote pour que le bouzin démarre sans problème.??
Mystère
Je précise que mon moteur n'a pas de chauffe et que j'ai essyé de le démarrer au moins une 20aine de fois avec et sans décompression.

04 avr. 2013

chacun fait comme il veut , pense ce qu'il veut, ici on échange des idées, des expériences, du vécu

04 avr. 2013

Bsr,
Je ne sais pas comment mettre une étoile à Muttix1...mais il l'a mérite !: membrane poreuse....et qui le deviendra de plus en plus!
Mamita

07 avr. 2013

a chacun sa petite façon de faire .

pour ma part :hivernage,= vidange,huile neuve ,changement des filtres ,vidage du GO ,nettoyage decanteur,filtre à eau ,graissage etc

pour le redemarrage : batteries rechargé à la maison

puis GO neuf , purge du circuit, un ou plusieurs tirage sur l'étouffoir , un coup de start pilote et jusqu'à present ça demarre

josé

07 avr. 2013

Bonjour

D' accord sur tout, sauf le start pilote :
à n' utiliser qu'en dernier recours.
J' ai fendu une culasse de moteur de camionnette .
Je vous laisse donc imaginer les coups de bélier sur les culasses , pistons, bielles et villebrequin....
A utiliser au minimum, et par petites vaporisations, quitte à les répéter.
Mais j' en ai toujours à bord.

08 avr. 2013

Le start pilote a le défaut de modifier la pression du cylindre durant son action et surtout de risquer un éclatement de la culasse.

A éviter, sauf au cas où .....

La cause première d'usure prematurée par arrachement de métal sont les démarrages à sec d'huile car le film (epilamen) n'est pas encore constitué et le contact segments-cylindre, ainsi que les tiges de soupapes sont dans ce cas métal sur métal. Si vous rajoutez un petit coup de start pilote pour le plaisir...

08 avr. 2013

Bonjour ,

Il se peux que le circuit se désamorce dans l'hiver ( là il y a diverses raison à valider sur place ) . Pour être sur d 'éliminer la cause il faut pomper avec la pompe d 'amorçage manuelle située en amont de la pompe à injection normalement on "entend " le fioul retourner au réservoir.

08 avr. 2013

Bonjour,
pour info, c'est un problème connu pour des moteurs ayant dépassé plus de 3000 H.
il s'agit tout simplement de l'usure normale de la pompe à palettes( appelée pompe de transfert) qui se situe en bout de la pompe d'injection et qui a pour but de mettre en pression la pompe haute pression , qui envoie le gazole sous pression aux injecteurs.
au repos, après un longtemps d'arrêt, il faut dans un premier temps que la pompe d'amorçage amorce la pompe à palettes, qui elle même amorce la pompe haute pression.
pour que le moteur démarre, il faut , dans le corps de pompe haute une certaine pression(25 bars à confirmer), pression qui est engendrée par rotation moteur, puis quand les 25 bar sont atteints, l'alimentation de la pompe haute pression commence à envoyer le gazole.
remède:

a) ne rien faire, comme dit plus haut, le temps de démarrage permet de faire monter la pression d'huile .
b) faire vérifier la pression de transfert ( celle engendrée par la pompe à palette) mais cela nécessite une dépose et contrôle chez un dieseliste puis une repose et calage.
a mon avis , beaucoup de travail et d'euros pour un résultat médiocre.
c) solution pour mécano aguerri: remplacer les palettes de la pompe de transfert.
pour connaisseurs, ce n'est pas compliqué il suffit de retirer le c..l de la pompe, démontable par 4 vis , la plaque ayant le tuyau d'arrivée de gazole se retire et on accède aux palettes, cause du problème.

voilà, pour connaisseurs, rien de bien compliqué
pour néophyte, très compliqué et que dire de la façon de travailler dans un espace très réduit, avec en prime, le gazole et son odeur dans la cale.......
bon courage.....

08 avr. 2013

Je trouve que tu as beaucoup de pompes en ligne :oups: :lavache:

08 avr. 2013

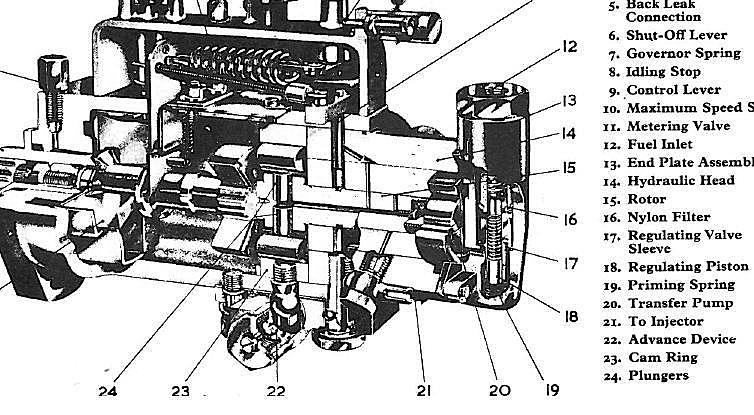
sur la notice technique détaillée perkins 4108 je n'ai pas vu cette pompe. Peux tu donner plus de précision sur son emplacement dans le circuit merci

08 avr. 2013

La pompe de transfert se trouve dans la pompe d'injection rotative. Pour être précis, il faut savoir quel est le type de pompe ,soit a regulateur mécanique, soit hydraulique. Elle se trouve sur le circuit à l'entrée de la pompe, là où est fixé le tuyau de gazole qui vient du filtre principal. Elle a la même position que ce soit une pompe à régulateur mécanique ou hydraulique. Dans mon post plus haut, je parlais pour un régulateur mécanique, mais le fonctionnement est identique pour un hydraulique. Pour finir, dans les manuels, elle n'est pas répertoriée parce que elle est du domaine du dièseliste qui vérifiera sa pression sur un banc d'un essai.

08 avr. 2013

merci de la précision

08 avr. 201316 juin 2020

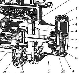
la pompe de transyfert est le point numéro 20 de cet éclaté de pompe DPA CAV, elle envoie le gazole vers le "plunger" qui le comprime à haute pression pour l'envoyer aux injecteurs

Donc si j'ai bien compris: la pompe d'alimentation (la pompe à came sur l'autre coté ud moteur) envoie du fuel vers cette pompe de transfert, qui doit monter en pression jusqu'à Xbar pour pouvoir envoyer du gazole aux "plunger" pour les injecteurs. C'est cela?

Donc si par exemple je mettais le lévier de l'accélerateur en position maxi (chose qui est conseillé par le manuel mais que en toute honnêteté je ne fais pas) le moteur devrait démarrer plus vite, non ?

09 avr. 2013

Bonjour,
Je reprends l'explication du démarrage.
Roberto a bien décrit le principe.
Ce qu'il faudrait faire, lors du premier démarrage, c'est pomper avec la pompe manuelle jusqu'à ce que la résisance de la languette soit nulle. On peut alors entrendre chanter le clapet sur la pompe, parfois pas, mais de toute façon, s'il n'y a plus de résistance à la languette, c'est que la pression de la pompe manuelle est atteinte' environ 3 bars.
Au lancement du moteur, la pompe de transfert monte en pression jusqu''a 25bars
mais, comme la pompe d'injection ne tourne que moitié du vilbrequin, il faut un certain temps pour avoir une haute pression pour la partie injection.
Naturellement, en fonction de l'usure de la pompe de transfert,, le temps de démarrage sera plus ou moins long, compte tenu des fuites internes.
Concernant la position du levier, il faut le mettre en position maxi car c'est en cette position que la pompe haute pression envoie le maximum de gazole et qu'il actionne la surcharge. Et si tôt les premiers cycles , revenir à mi régime pour éviter d'accélérer à froid.
Mais pour ma part, il ne faut rien toucher, faire une bonne charge batterie et le tour est joué.
Pour finir, si trop de problèmes, on peut insérer un clapet anti retour, à la sortie du réservoir, entre la sortie et le premier filtre, qu'il soit décanteur ou principal.
Bonne mécanique.

20 mai 2013

Bonjour,
En suivant les symptômes énoncés , on peut imaginer que le gas oil n'arrive pas ou qu 'il arrive mal dans les cylindres ( ce n'est pas a qualité du gas oil puisque il démarre )..

1°) le Gas oil est froid et il faut préchauffer avant de démarrer.

2°) le circuit se désamorce, Je pense que pour vérifier cela il faut amorcer le circuit par la pompe manuelle d 'amorçage , et faire le test à la prochaine sortie d 'hivernage.

Cordialement

Port Vendres, côte d'émeraude

Phare du monde

  • 4.5 (2)

Port Vendres, côte d'émeraude

2022