[Electrcité] Choisir l'alimentation d'une prise 220v par la ligne de quai ou un convertisseur

Bonjour à tous,

Je soumets un sujet sur lequel j'ai du mal à trouver des infos.

Aujourd'hui, j'ai une prise 220 volts qui est alimentée par une ligne de quai

Demain, j'aimerais installer un convertisseur 12v vers 220 volts et avoir un interrupteur manuel qui me permette de "basculer" de la source de courant "ligne de quai" ou de la source de courant "convertisseur".

J'ai lu des choses sur les "inverseurs de source" pour les maisons (par exemple la possibilité de basculer d'un groupe electrogene <-> edf). Ce sont des éléments qui se rajoutent dans un tableau electrique mais moi je veux simplement un "interrupteur".

Avez vous des idées ?

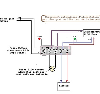
J'ai mis un schéma en pièce jointe.

Merci

L'équipage
09 mai 2018
09 mai 2018

Te reste t-il de la place dans le tableau de protection de l'arrivée 230V sur ton bateau ?

09 mai 2018

@AICA: pas de place, il n'ya qu'un seul disjoncteur. Et en plus, le tableau est dans la cale (j'ai un bateau à moteur). Je ne me vois pas me mettre à quatre pattes à chaque fois et ouvrir la cale moteur, etc...)

09 mai 2018

il suffit de mettre un inverseur on/off/on bi polaire pour inverser la phase et le neutre ,la terre tu ne t'en occupe pas coté bord ..mais tu la garde coté quai sur la prise 220v
alain

09 mai 201809 mai 2018

Salut à tous,
Bjr AOC,
Quelle puissance sera utilisée par ta prise 220v; j'ai déjà fait ce type de montage en automatique, mais il ne faut pas dépasser une certaine puissance sur la prise de bord 220v...
Mamita

09 mai 201816 juin 2020

Sur ce type d’installation , il vaut mieux éviter le bricolage.
Un commutateur 2pôles , 2 ou 3positions fera l’affairE en toute sécurité

09 mai 201816 juin 2020

Re,
il y a cette solution automatique dont je parlais (et qui n'est pas du bricolage):
la tension quai 220v est prioritaire.
Tant que l'on reste branché au quai; la tension de la prise bateau220v est alimentée par le quai, la led rouge est allumée.
Dés que l'on enlève la prise quai, la tension de la prise bateau 220v est alimentée automatiquement par le convertisseur/batterie de bord. La led verte s'allume.
Ce système offre les garanties d’être automatique, pas de risque d'oubli ou de fausses manœuvres, avec les leds rouge et/ou verte,il indique en permanence la source de tension d'arrivée.(quai ou convertisseur/batterie)
Le seul inconvénient est la limite en Amp des contacts du relais : ici c'est du 5A, soit 60w maxi.
Mamita
(Nota: pour des questions de fiabilité le relai est de type industriel;i ci pour exemple: marque Finder, mails il y a d'autre marques)

09 mai 2018

C'est le plus simple et le plus fiable

09 mai 2018

Mamita, je ne parlais pas de bricolage pour ta solution ????.
Toutefois 5A me semble trop juste

17 mai 2018

Excellent schéma

09 mai 2018

Il vaut mieux utiliser une combinaison de contacteurs

09 mai 2018

cela dépend du convertisseur...
le montage actuel sur mon bateau, qui avait (a toujours) chargeur et convertisseur séparés, dispose d'un relais qui bascule l'alimentation 220 du quai (si connecte) au convertisseur (si quai deconnecte)
J'ai change le convertisseur pour un Victron MultiPlus. Je n'ai pas encore modifie le branchement (ancien chargeur toujours en service, Victron uniquement utilise en convertisseur) mais je le ferai et alors c'est le Victron qui s'occupe de gérer le passage, et dispose même de 2 sorties 220, l'une étant alimentée uniquement si le chargeur est alimente (par le quai, l'autre étant alimentée en permanence

09 mai 2018

Le plus simple et le plus sure, j ai un cable qui part de Mon convertisseur et qui se branche sure Mon alim quai du bateau. Quand je debranche le quai, je branche le convertisseur. Impossible de faire une mauvaise manip. Et je commande on off Mon convertisseur depuis Mon tableau elec a la demande.

09 mai 2018

Double inverseur Legrand .Ou une autre marque Hager ou Schneider, des sérieux au niveau qualité
www.manomano.fr[...]5751609

09 mai 2018

un inverseur double de bonne qualité étanche passe 16A
c'est plus que ce que délivre la borne de quai..
alain

09 mai 2018

le chat joue avec la souris?

09 mai 201816 juin 2020

Ou ça, en plus de la selection de la source 230, tu peux commander l'alim du convertisseur. Bon c'est chinois....

09 mai 201809 mai 2018

Re,
On ne parle pas de la même chose: j'ai fait un dessin pour un principe de fonctionnement automatique; un inverseur, un commutateur, n'est pas automatique: c'est du manuel...
D'autre part, pour etre plus puissant il suffit d'acheter un relai avec des contacts plus conséquents (10A): ca existe.
Mamita

09 mai 2018

merci à tous pour vos commentaires.
je vais reprendre tout ça tranquillement pour comprendre

09 mai 2018

You're welcome

15 mai 201815 mai 2018

Comme Mamita, un relais alimenté par le quai et de la puissance suffisante pour commuter/alimenter le 220v du bord. Ce relais (primaire) pouvant alimenter d'autres relais plus conséquents pour commuter le 12v du convertisseur.. Le relais de commande (alimenté par le 220v) pouvant être alimenté/coupé par un simple interrupteur déporté.
Il existe des relais statiques de forte intensité et à résistance de passage nulle, j'en ai utilisé pour des puissance allant - dans mon cas - jusqu'à 10 kW.
Une source auquel on ne pense pas : les camping cars et leurs solutions

15 mai 2018

Quelques liens provenant de camping-caristes :
www.campingcar-bricoloisirs.net[...]pic.php
www.aidecampingcar.com[...]pic.php
On voit que le principe est identique sur le fond.

15 mai 2018

bonjour,

pour ma part j'ai souvent utilisé une solution simple et très efficace.
je prends un interrupteur va et vient double allumage plexo de chez legrand (en saillie ou en encastré selon les besoins), je branche la phase d'arrivée de quai sur la borne 1 du premier va et vient, celle du convertisseur sur la borne 2 et le départ vers la prise sur la borne P.
je fais idem pour le neutre avec le second va et vient.

très important je remplace alors les deux capots de manipulation (1 par va et vient) par un de simple allumage acheté en pièce de réparation chez mon grossiste qui permet de relier et de manipuler les deux va et vient ensemble, évitant ainsi tout risque d'erreur de manipulation.

j'obtiens ainsi un inverseur bipolaire à moindre coût parfaitement sûr et peu onéreux sans oublier que le plexo est IP64 donc étanche.

je ne sais pas si on peut le faire avec d'autres marques, il faudrait vérifier qu'il soit bien possible de remplacer les deux capots du double va et vient par un simple qui les manipule ensemble comme le plexo.
cordialement
jpierre

15 mai 2018

bonjour,
vous parlez tous d'inverseur ou de commutateur, ou de relais pour passer du 230V quai au 230V onduleur, mais vous oubliez un point tres important pour la SECURITE des personnes, c'est que coté quai vous avez la protection du disjoncteur différentiel 30mA 30ms,(de la borne) qui vous protège des contacts directs et indirects , coté onduleur vous devez rajouter un disjoncteur différentiel 30mA, le mieux est de le mettre coté utilisation, , vous aurez dans la version quai 2 dif en cascade, sans pb, de plus il y a une sélectivité en cas de défaut (électrisation ou fuite elec d'un équipement) entre dif....
voila ( je suis formateur en habilitation elec.....)
LECELTE

15 mai 2018

Sur dica, l'arrivée 220v quai arrivait sur une prise 220v via un différentiel 30mA.
A coté de cette prise, le convertisseur 12v/220v.
Une fiche 220v se branchait sur soit le convertisseur, soit sur la prise pour alimenter le circuit 220v.
simple, efficace, mais manuel.

15 mai 2018

merci pour vos derniers commentaires !
je veut absolument une solution manuelle.

@dica: j'en suis arrivé a la même conclusion que toi. je comptais faire ce type de montage.

2015-08-02 - Entre Canna  et Tobermory (Ecosse)

Phare du monde

  • 4.5 (132)

2015-08-02 - Entre Canna et Tobermory (Ecosse)

2022