Installation Electrique - Voilier 12m

Bonjour,
Je suis actuellement en cours d'étude pour le recâblage électrique d'un bateau sur la partie servitude 12V et 230V. Je suis électricien dans le bâtiment donc je connais assez bien le domaine sauf pour ce qui est des choix techniques pour la partie 12V.

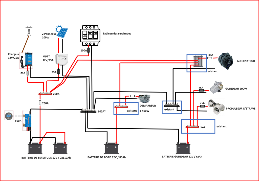
J'ai commencé un synoptique ci-dessous. Pourrais-je avoir votre avis sur celui-ci?
Il me faudra ensuite déterminer les sections de fil.

Merci de votre aide

L'équipage
6h
5h5h

Quelques (détails). J'ai un bateau alu donc tout est bipolaire et il y a un maximum de postes sur mon tableau (40). Ceci évite les fuites qui sont la bête noire de électricité bateau même à mon avis pour les coques non métal.
De plus je ne vois pas forcément l'intérêt d'avoir une batterie dédiée au guindeau à par économiser sur le prix du câble.
Autre chose , je ne vois pas de sectionneur sur ton schéma . J'en ai partout , toujours bipolaire, y compris avant et après les panneaux


Hello,
Voici pour t'aider:
- une App de chez Victron play.google.com[...]/search
- un tableau www.orange-marine.com[...]ctrique
- et un autre... www.multicoquespratique.fr[...]ls.html
- et une saine lecture: www.victronenergy.com[...]-EN.pdf
Amicalement.
FX


Bonjour,
La batterie dédié au guindeau est déjà existante donc je ne souhaite pas modifier cette partie.
Concernant la partie bipolaire, c'est pareil, le câblage du tableau électrique existante est fait en unipolaire.
Pour ce qui est des panneaux, c'est vrai que je n'ai pas mis de sectionneur. Je vais modifier pour la maintenance du mppt.
Je n'ai pas mis les coupes-batteries mais ils existent bien.
Cependant je n'ai pas d'équipement pour mettre en parallèle les batterie et ainsi profiter d'une capacité d'énergie plus importante mais aussi recharger l'ensemble des batteries par le chargeur de quai ou PV. Quel type de produit utiliser ?


Mets du câblage étamé à la place du vieux câblage. Tu seras tranquille pour le restant de tes jours.


Et pour la section 5 Ampères par mm carré. Tu fais bien de garder une batterie près du guindeau.


Je conseille aussi de ne plus utiliser d'ampoules à filament (feux de nav. et éclairage intérieur) et de les remplacer par des LED. Donc il faudra adapter les disjoncteurs au nouvel ampérage des consommateurs qui sera plus faible.


Jerem512:C'est prévu de mettre de la Led. J'ai prévu d'adapter les fusibles au niveau du tableau ·le 22 nov. 17:26
3h3h

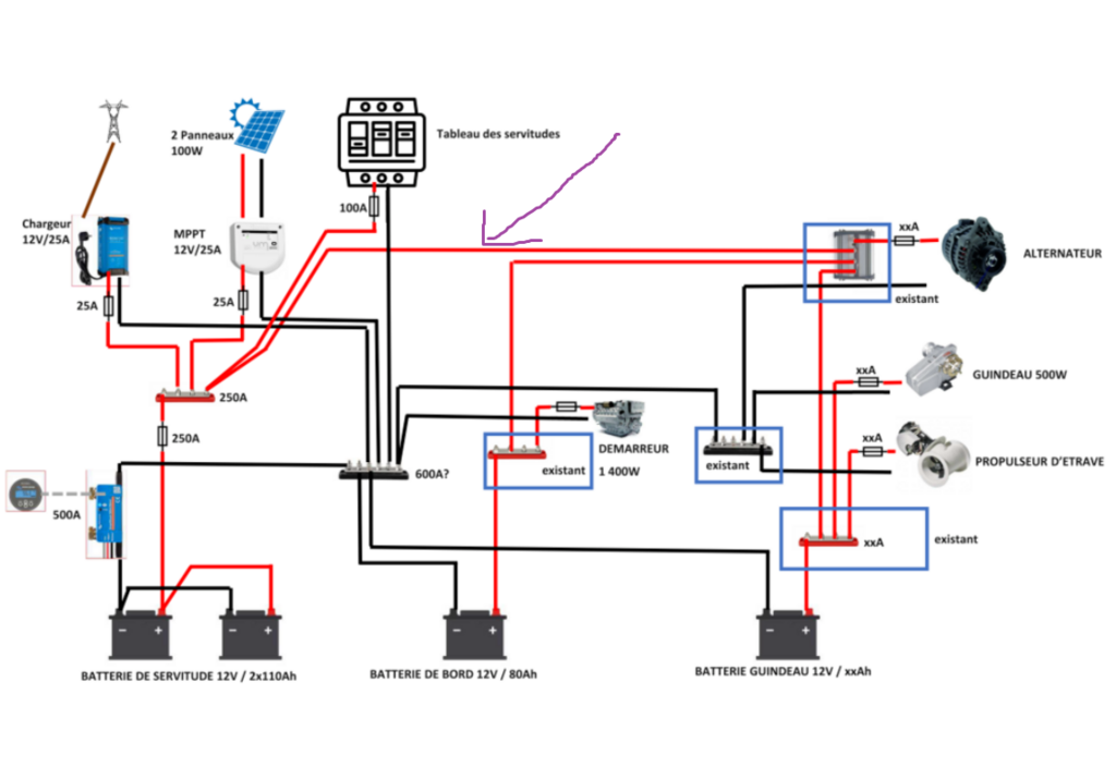
Ce câble ne va pas ! Il met en commun ton circuit démarrage et servitude. En général c'est pas les meme types de batterie (décharge lente chere et décharge rapides pas cheres).

Met un chargeur orion entre les deux pour isoler les circuits si tu veux absolument recharger tes servitudes avec le moteur. C'est pas indispensable.

www.svb-marine.fr[...]-a.html

Beau boulot sinon, c'est propre.


Jerem512:C'est un répartiteur de charge à diode selon le schéma du bateau. Ce n'est suffisant pour isoler les circuits ? ·le 22 nov. 17:25

Merci pour tous vos retours. Que pensez vous des ampèrages des busbar ? Notamment celui du "-" en 600A ?


Tramp:Ah j'avais pas compris que c'était un répartiteur de charge !! Ok ça fonctionne alors, no problemo.Les amperage des busbar sont laaaaaaaaaaaargement surdimensionnés, c'est nickel.·le 22 nov. 18:56
Jerem512:Comment dimmensionner le busbar du négatif ? ·le 22 nov. 19:25

perso pas de batteries en // une batterie pour chaque usage et entre elles des coupleurs


Jerem512:Il n'y a pas de batterie en parallèle sauf pour la servitude.Il y a un répartiteur de charge à diode. ·le 22 nov. 19:24
Calypso2:donc il y a bien deux batteries en // ·le 22 nov. 19:32
Loop Head, Irlande

Phare du monde

  • 4.5 (3)

Loop Head, Irlande

2022