Moteur yanmar 8ch diesel ym

Bonsoir, je sors mon Gipsy 26 de révision, ce même bateau est équipé d'un yanmar 8 chevaux inboard. Le mécanicien qui m'a remis le bateau en main ma certifié que le contact devait rester allumé pour que l'alternateur puisse recharger la batterie. Hors jusqu'à présent je démarrai le moteur puis coupais le contact. J'aimerais beaucoup avoir vos avis respectifs merci d'avance et bon vent à tous.

L'équipage
10 mai 2025
10 mai 202510 mai 2025

Si le switch clef est sur off, alors aucune alarmes possible en cas de soucis... Rien à voir avec la charge.


10 mai 202510 mai 2025

Bonsoir,
tu as déjà eu beaucoup de chance de ne pas griller le pont de diodes de l'alternateur en coupant le contact alors que le moteur tourne.
Tu laisses le contact sur on après que le moteur ait démarré et tu arrêtes le moteur avec la tirette avant de couper le contact.
VdB


10 mai 202510 mai 2025

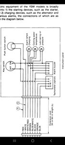
j'ai mis un peu de temps à regarder le schéma de charge mais pour moi le pont de diodes ne craint rien car le switch clef ne concerne que le solénoïde de démarage. cf mes captures de la doc en message 1


11 mai 2025

Merci pour vos réponses, du coup je ne sais plus trop quoi faire, 🤔.....


11 mai 202511 mai 2025

ben, laisser le contact 🙃😄 pas pour la charge mais pour les alarmes...


11 mai 2025

Dans ta voiture, tu ne coupes pas le contact quand le moteur a démarré? Alors fais pareil sur ton bateau...
VdB


Cap Tanneron  Porte de la Mer Egée

Phare du monde

  • 4.5 (39)

Cap Tanneron Porte de la Mer Egée

2022